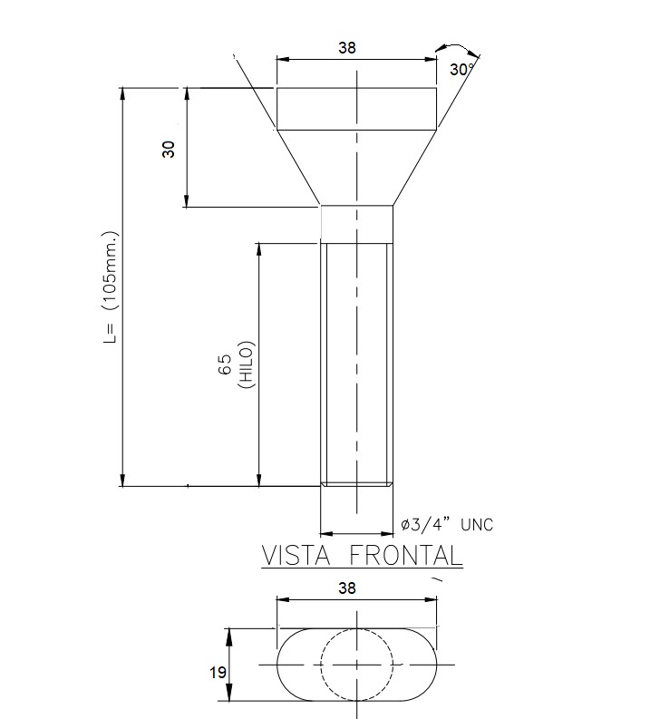
Descripción
Tipo/Producto: PERNO MOLINO
Material: ACERO MEDIO CARBONO TEMPLADO Y REVENIDO- ACERO ALEADO TEMPLADO Y REVENIDO.
Terminación: NEGRO (PAVONADO) – XYLAN
Características: PERNO MOLINO, GR.5 – GR.8 -A193 B7 – INOX –PULGADA -METRICO, FABRICACIÓN ESPECIAL A PEDIDO SEGÚN PLANO
PARA MAS INFORMACION VISITA NUESTRA INFORMACION TECNICA AQUI! O COMUNICATE CON UN UNO DE NUESTROS VENDEDORES ACÁ!













Valoraciones
No hay valoraciones aún.